Microphone áp suất phân cực trước GRAS 40DD 1/8"

  •  Mã sản phẩm: GRAS 40DD
     Danh mục: GRAS Sound & Vibration
  •  Lượt xem: 193
     Tình trạng: Còn hàng
  • Dải tần số: 6,5 Hz đến 70 kHz
    Dải động: 49 dB(A) đến 175 dB
    Độ nhạy: 0,9 mV/Pa

  • Giá bán: Liên hệ
Thông tin sản phẩm

Microphone 40DD là microphone áp suất phân cực trước 1/8" đạt tiêu chuẩn IEC 61094 với lỗ thoát hơi phía sau. Đây là microphone tụ điện độ chính xác cao được sản xuất theo yêu cầu của tiêu chuẩn IEC 61094-4. Kích thước nhỏ gọn cho phép nó được sử dụng để đo âm thanh tần số rất cao mà không làm nhiễu trường âm thanh. Nó có thể đo mức áp suất âm thanh lên đến 174 dB trong dải tần từ 6 Hz đến 140 kHz.

Công nghệ

Giới thiệu

40DD là micro áp suất phân cực trước IEC 61094 1/8" với lỗ thoát hơi phía sau. Tìm hiểu thêm về phiên bản tương đương phân cực ngoài GRAS 40DP.

Đây là một micro tụ điện độ chính xác cao được sản xuất theo yêu cầu của tiêu chuẩn IEC 61094-4. Kích thước nhỏ gọn cho phép nó được sử dụng để đo các âm thanh tần số rất cao mà không làm nhiễu trường âm thanh. Nó có thể đo mức áp suất âm thanh lên đến 174 dB trong dải tần từ 6 Hz đến 140 kHz.

40DD được hiệu chuẩn riêng tại nhà máy và được cung cấp kèm theo biểu đồ hiệu chuẩn ghi rõ độ nhạy mạch hở và đáp ứng tần số áp suất cụ thể của nó.

Phiên bản có lỗ thoát hơi phía trước cũng có sẵn, 40DD-FV 1/8" Prepolarized Pressure Microphone, Front Vented.

Ứng dụng và cách sử dụng điển hình

Máy đo 40DD có độ nhạy thấp, rất phù hợp cho việc đo âm thanh ở tần số cao và áp suất rất cao, cũng như các tiếng ồn xung.

Micro 40DD được tích hợp trong micro thăm dò nổ 67SB vì dải tần đáp ứng rộng của nó.

Khả năng tương thích

Cần sử dụng 40DD kèm theo bộ chuyển đổi để gắn micro 1/8" vào tiền khuếch đại 1/4".

Xác minh hệ thống

Để kiểm tra và xác nhận hàng ngày thiết lập đo lường của bạn, chúng tôi khuyên bạn nên sử dụng máy hiệu chuẩn như GRAS 42AG Multifunction Sound Level Calibrator.

Để hiệu chỉnh độ nhạy chính xác, chúng tôi khuyên bạn nên sử dụng một thiết bị đo độ nhạy kiểu piston như GRAS Intelligent Pistonphone GRAS 42AP.

Sự định cỡ

Khi xuất xưởng, tất cả micro GRAS đều được hiệu chuẩn trong môi trường phòng thí nghiệm được kiểm soát bằng thiết bị hiệu chuẩn có thể truy xuất nguồn gốc. Tùy thuộc vào mục đích sử dụng, môi trường đo lường và chương trình kiểm soát chất lượng nội bộ, chúng tôi khuyến nghị nên hiệu chuẩn lại micro ít nhất một lần mỗi năm.

Chúng tôi cung cấp hai loại hiệu chuẩn như một dịch vụ hậu mãi tùy chọn: Hiệu chuẩn theo tiêu chuẩn GRAS và Hiệu chuẩn được chứng nhận GRAS.

Hiệu chuẩn truy xuất nguồn gốc GRAS là quy trình hiệu chuẩn có thể truy xuất nguồn gốc được thực hiện bởi nhân viên được đào tạo trong điều kiện kiểm soát theo các quy trình và tiêu chuẩn đã được thiết lập. Điều này hoàn toàn giống với quy trình hiệu chuẩn nghiêm ngặt mà tất cả các micro GRAS đều phải trải qua như một phần không thể thiếu trong đảm bảo chất lượng của chúng tôi.

Việc hiệu chuẩn đạt chuẩn GRAS được thực hiện bởi Phòng thí nghiệm hiệu chuẩn đạt chuẩn GRAS, được chứng nhận theo tiêu chuẩn ISO 17025 bởi DANAK, Quỹ Chứng nhận Đan Mạch.

Nếu bạn muốn bộ micro mới được giao kèm theo chứng nhận hiệu chuẩn chuyên nghiệp thay vì hiệu chuẩn mặc định của nhà máy, hãy ghi rõ điều này khi đặt hàng.

Tìm hiểu thêm tại gras/calib.

Chất lượng và bảo hành

Tất cả các micro đạt chứng nhận GRAS đều được làm từ vật liệu chất lượng cao, đảm bảo độ ổn định và độ bền lâu dài. Các micro đều được lắp ráp trong môi trường phòng sạch được kiểm định bởi các kỹ thuật viên lành nghề và tận tâm với nhiều năm kinh nghiệm trong lĩnh vực này.

Màng loa, thân micro và lưới bảo vệ được cải tiến đều được làm bằng thép không gỉ cao cấp, giúp micro chống lại các hư hại vật lý cũng như sự ăn mòn do không khí hoặc khí có tính ăn mòn gây ra.

Điều này, kết hợp với đầu nối micro mạ vàng được gia cố đảm bảo kết nối cực kỳ đáng tin cậy, cho phép GRAS cung cấp bảo hành 5 năm đối với các lỗi về vật liệu và tay nghề.

Dịch vụ

Nếu bạn vô tình làm hỏng màng loa của micro GRAS, trong hầu hết các trường hợp, chúng tôi có thể thay thế nó với chi phí rất hợp lý và thời gian hoàn thành nhanh chóng. Điều này không chỉ bảo vệ khoản đầu tư của bạn mà còn làm hài lòng bộ phận đảm bảo chất lượng vì bạn không phải lo lắng về số seri mới, v.v.

 

Thông số kỹ thuật

Thông số Đơn vị Giá trị
Phân cực / Kết nối   0 V / CCP
Dải tần số (±1 dB) Hz 10 đến 25 kHz
Dải tần số (±2 dB) Hz 6,5 đến 70 kHz
Dải tần số (±3 dB) Hz 6,5 đến 140 kHz
Giới hạn dưới dải động (nhiễu nhiệt micro) dB(A) 49
Giới hạn dưới với bộ tiền khuếch đại GRAS dB(A) 52
Giới hạn trên dải động dB 175
Giới hạn trên với GRAS (+28 V / ±14 V) dB 175
Giới hạn trên với GRAS (+120 V / ±60 V) dB 175
Giới hạn trên với GRAS CCP dB 175
Độ nhạy mạch hở tại 250 Hz (±3 dB) mV/Pa 0,9
Tần số cộng hưởng kHz 160
Điện dung hộp micro (điển hình) pF 3,5
Lỗ thông hơi micro   Ở phía sau
Tuân thủ tiêu chuẩn IEC 61094-4   WS3P
Mã hiệu IEC 61094-4   WS2F
Phạm vi nhiệt độ hoạt động °C / °F -40 đến 120 / -40 đến 248
Phạm vi nhiệt độ lưu trữ °C / °F -40 đến 85 / -40 đến 185
Hệ số nhiệt độ @250 Hz dB/°C / dB/°F -0,01 / -0,006
Phạm vi độ ẩm không ngưng tụ % RH 0 đến 90
Hệ số áp suất tĩnh @250 Hz dB/kPa -0,014
Hệ số độ ẩm @250 Hz dB/% RH -0,001
Ảnh hưởng dao động dọc trục @1 m/s² dB so với 20 µPa 59
Tiêu chuẩn CE / RoHS / WEEE   Có / Có / Có
Cân nặng g / oz 1,5 / 0,053
 

Đáp tuyến tần số điển hình (không có lưới bảo vệ).

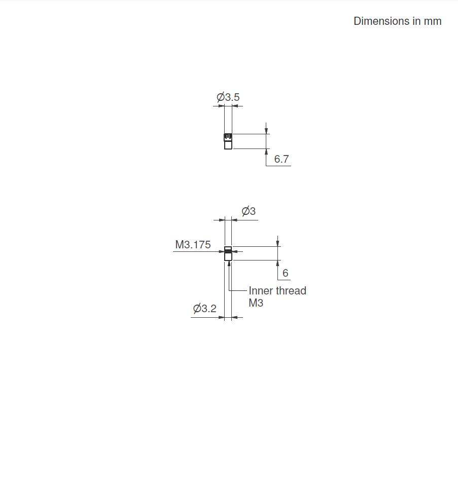
Kích thước