Thiết bị mô phỏng âm thanh GRAS 44AA là nguồn âm thanh mô phỏng trường âm thanh xung quanh miệng người ở cự ly gần và tuân thủ các tiêu chuẩn IEEE 269, 661 và ITU-T Rec. P51.
GRAS 44AA được sử dụng để kiểm tra các thiết bị cầm tay điện thoại cũng như các micro khác được sử dụng tương tự trong mạng truyền thông.
Công nghệ
GRAS 44AA và 44AA-1
Tại điểm tham chiếu miệng (MRP), cách vòng môi có thể tháo rời 25 mm (35 mm từ miệng của GRAS 44AA/AA-1), tín hiệu liên tục tối đa mà nó có thể tạo ra trong các dải tần ⅓ quãng tám là 100 dB so với 20 µPa trong dải tần từ 100 Hz đến 16 kHz. Loa của nó chấp nhận tín hiệu bên ngoài trực tiếp hoặc thông qua bộ khuếch đại công suất tích hợp sẵn (khi được cấp nguồn). Hộp bao gồm bộ nguồn AC sang 24 VDC để cấp nguồn cho bộ khuếch đại tích hợp bên trong 44AA và 44AA-1.
Các giá đỡ được bao gồm để hiệu chuẩn theo tiêu chuẩn CCITT P.51 và IEEE 269. Chúng được sử dụng với micro ¼″ hoặc ½″. Một giá đỡ giữ micro ở góc 0º (chỉ dành cho micro ¼″) so với nguồn âm thanh, giá đỡ còn lại giữ ở góc 90º (cả micro ¼″ và ½″).
44AA-1 là phiên bản đặc biệt của 44AA với đầu nối BNC được đặt ở phía đối diện để lắp đặt đúng cách trên thiết bị kiểm tra GRAS 45CC.
LƯU Ý: Loại mô phỏng miệng này không thể lắp đặt bên trong đầu KEMAR.
Thông số kỹ thuật
| Khuyến nghị của ITU-T |
– |
Trang 51 |
| Loại đầu nối |
– |
BNC |
| Tiêu chuẩn IEEE |
– |
269.661 |
| Trở kháng đầu vào |
kΩ |
20 |
| Công suất tối đa, liên tục |
W |
10 |
| Công suất tối đa, xung nhịp 2 giây |
W |
50 |
| Phạm vi nhiệt độ, hoạt động |
°C / °F |
10 đến 35 / 50 đến 95 |
| Nhận được |
dB |
10 |
| Tín hiệu đầu vào, tối đa |
Vrms |
2 |
| Đạt tiêu chuẩn CE/RoHS/Đăng ký WEEE |
– |
Có/Có/Có |
| Cân nặng |
g/oz |
2900 / 102,29 |
Bộ khuếch đại công suất tích hợp
Mức đầu ra liên tục tối đa tại MRP [200 Hz - 6 kHz] là 110 dB so với 20 μPa
Mức đầu ra liên tục tối đa tại MRP [100 Hz - 16 kHz] 100 dB so với 20 μPa
Độ méo tín hiệu 250 Hz - 8 kHz (Tín hiệu tuyến tính @ 94 dB tại MRP) thường là 1%, tối đa 1,5%.
.png)
Đáp ứng tần số
GRAS Sound & Vibration có quyền thay đổi thông số kỹ thuật và phụ kiện mà không cần báo trước.
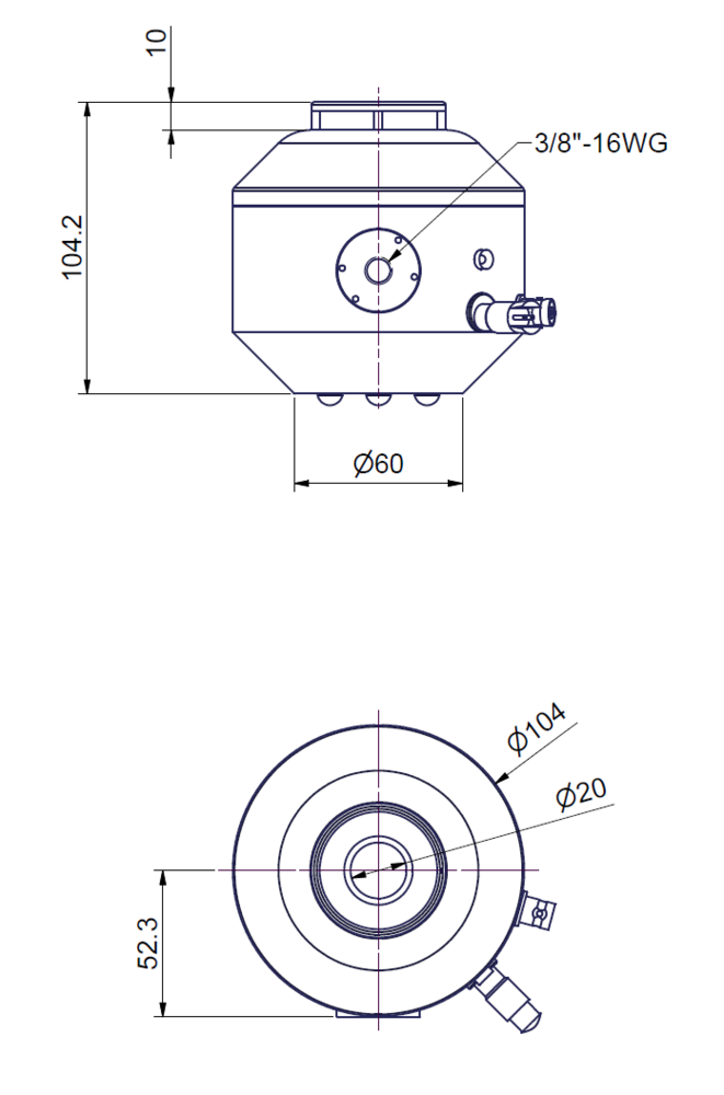
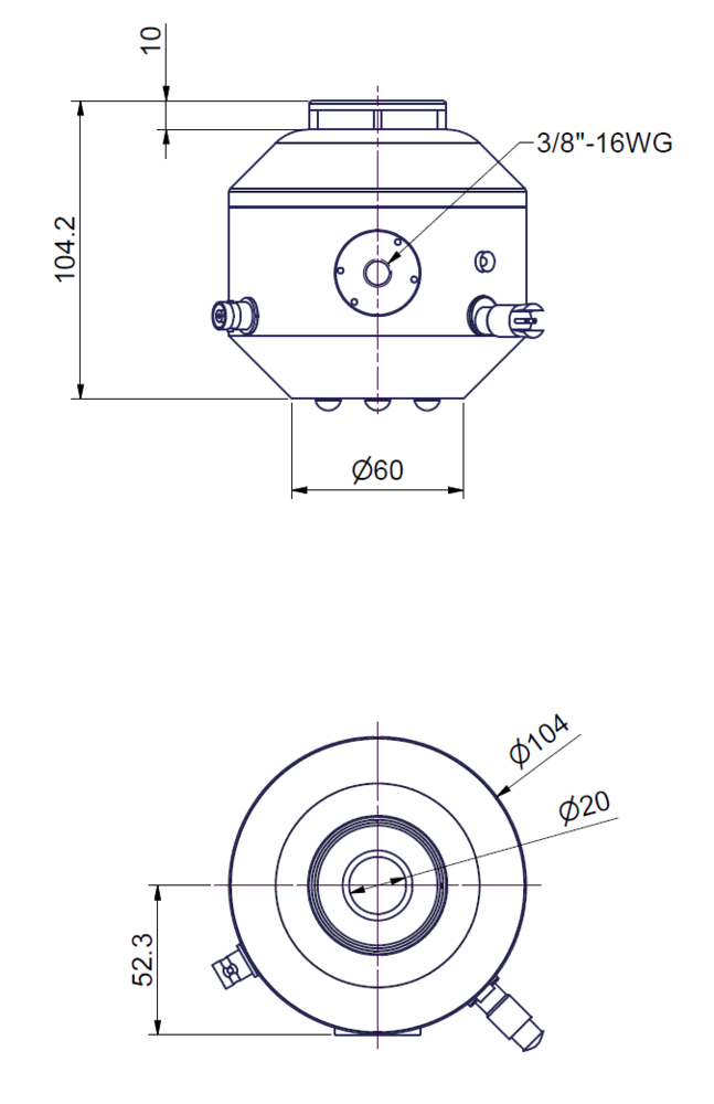
Kích thước
44AA

44AA -1
