Ứng dụng và cách sử dụng điển hình
- Không gian hạn chế
- Đo lường tần số cao
- Đo áp suất cao
- đo cường độ âm thanh
- Các phép đo trường gần
- hộp cách âm
- Đo lường máy trợ thính
Thiết kế
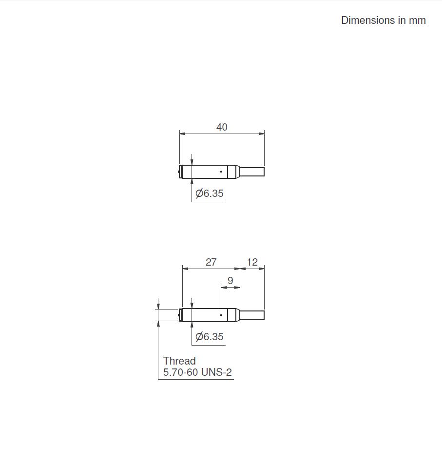
Tất cả các bộ tiền khuếch đại micro GRAS đều dựa trên một chất nền gốm màng dày nhỏ với trở kháng đầu vào rất cao. Chất nền gốm được bảo vệ bởi một vòng chắn để giảm thiểu ảnh hưởng của điện dung ký sinh và nhiễu micro. Vỏ được làm bằng thép không gỉ để đảm bảo độ bền tối đa. Kích thước nhỏ gọn của bộ tiền khuếch đại này đảm bảo hoạt động đáng tin cậy trong điều kiện ẩm ướt nhờ nhiệt lượng sinh ra từ sự tản nhiệt bên trong.
Dải động
GRAS 26AS có thể xử lý cả nguồn điện một phía và hai phía. Điện áp nguồn có thể thay đổi từ 28 VDC đến 120 VDC cho nguồn một phía hoặc từ ±14 VDC đến ±60 VDC cho nguồn hai phía. Khi sử dụng điện áp nguồn cao (120 VDC hoặc ±60 VDC), dải động vượt quá 140 dB.
Tiếng ồn
Mạch điện trong GRAS 26AS được xây dựng trên chất nền gốm sử dụng các linh kiện có độ nhiễu thấp được lựa chọn kỹ lưỡng để đạt được độ nhiễu nội tại rất thấp. Độ nhiễu nội tại của điện thấp đến mức nhiễu hệ thống chủ yếu được quyết định bởi nhiễu nhiệt của màng micro.
Đáp ứng tần số
Tần số cắt thấp của bộ tiền khuếch đại GRAS 26AS chủ yếu được xác định bởi trở kháng đầu vào của bộ tiền khuếch đại và điện dung của đầu micro. Các điện dung 20 pF, 6,4 pF và 3 pF tương ứng với điện dung điển hình của các đầu micro có kích thước 1/2", 1/4" và 1/8".
Tần số cắt cao được xác định bởi khả năng của tiền khuếch đại trong việc điều khiển tải điện dung (tốc độ biến đổi tín hiệu) do cáp gây ra. Đối với tín hiệu lớn, cần phải tính đến ảnh hưởng của các thông số này khi thực hiện phép đo. Đáp ứng tín hiệu lớn của loại 26AS đối với các tải điện dung khác nhau tương ứng với các chiều dài cáp khác nhau được thể hiện trong bảng dữ liệu. Mức đầu ra được tính bằng decibel so với 1 Volt. Điện dung điển hình của cáp là 100 pF/m (30 pF/foot).
Đầu nối
GRAS 26AS được trang bị cáp nhẹ dài 3 m với đầu cắm 7 chân LEMO series 1B. Cáp chỉ có đường kính 2,5 mm và có thể chịu được nhiệt độ từ –40 °C đến +150 °C. Bộ chuyển đổi GR0010 dành cho micro GRAS 1/2" cũng được bao gồm.

Đầu cắm LEMO 7 chân 1B đực (hình chiếu ngoài)