Bộ tiền khuếch đại nhiệt độ cao GRAS 26CA-HT 1/2" CCP (BNC) là bộ tiền khuếch đại 1/2" CCP dùng cho micro phân cực trước. Nó được tối ưu hóa cho các ứng dụng nhiệt độ cao lên đến 120 °C (248 °F). Nó có mức nhiễu nền thấp, dải động lớn và đáp ứng tần số từ 2 Hz đến 200 kHz.
Công nghệ
Ứng dụng và cách sử dụng điển hình
Microphone phân cực trước
Nhiệt độ hoạt động lên đến 120 °C (248 °F)
Độ nhiễu nền thấp và dải tần rộng
Thiết kế
Bộ tiền khuếch đại GRAS 1/2" 26CA-HT tương tự như bộ tiền khuếch đại tiêu chuẩn GRAS 26CA, nhưng được tối ưu hóa để sử dụng trong các ứng dụng nhiệt độ cao lên đến 120 °C (248 °F).
Nó sử dụng nguồn điện CCP (Nguồn điện dòng không đổi), ví dụ như mô-đun nguồn CCP 1 kênh GRAS 12AL với bộ lọc trọng số A. Nó có mức nhiễu nội tại rất thấp, dải động lớn và đáp ứng tần số từ dưới 2 Hz đến trên 200 kHz. Lớp nền gốm dày nhỏ của nó có trở kháng đầu vào rất cao và được bảo vệ bởi một vòng chắn để giảm thiểu ảnh hưởng của điện dung ký sinh và nhiễu vi âm.
Thiết bị này có hệ thống TEDS* theo tiêu chuẩn IEEE P1451.4 giúp dễ dàng tự nhận dạng và đọc dữ liệu hiệu chuẩn.
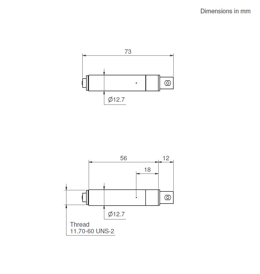
Sản phẩm có đầu nối đầu ra BNC tích hợp và có thể sử dụng với tất cả các micro phân cực sẵn GRAS. Vỏ được làm bằng thép không gỉ để đảm bảo độ bền tối đa.
* Bảng dữ liệu điện tử của bộ chuyển đổi
Thông số kỹ thuật
| Thông số |
Đơn vị |
Giá trị |
| Dải tần số (±0,2 dB) |
Hz |
2,5 đến 200 kHz |
| Tốc độ thay đổi |
V/µs |
20 |
| Trở kháng đầu vào |
GΩ // pF |
20 // 0,4 |
| Trở kháng đầu ra |
Ω |
< 50 |
| Biên độ điện áp đầu ra tối thiểu @ CCP 24–28 V |
µV |
8 |
| Độ nhiễu (trọng số A) tối đa |
µV |
2,5 |
| Độ nhiễu (trọng số A) điển hình |
µV |
1,8 |
| Độ nhiễu tuyến tính 20 Hz–20 kHz tối đa |
µV |
6 |
| Độ nhiễu tuyến tính 20 Hz–20 kHz điển hình |
µV |
3,5 |
| Nhận được |
dB |
-0,30 |
| Nguồn điện (CCP) |
mA |
2–20 (thường 4) |
| Điện áp phân cực DC điển hình |
V |
12 |
| Phạm vi nhiệt độ hoạt động |
°C / °F |
-30 đến 120 / -22 đến 248 |
| Phạm vi nhiệt độ lưu trữ |
°C / °F |
-40 đến 85 / -40 đến 185 |
| Phạm vi độ ẩm không ngưng tụ |
% RH |
0 – 95 |
| TEDS (IEEE 1451.4) |
|
769 v. 0.9 |
| Loại đầu nối |
|
BNC |
| Tiêu chuẩn CE / RoHS / WEEE |
|
Có / Có / Có |
| Cân nặng |
g / oz |
26,0 / 0,92 |
Điều kiện: Nhiệt độ môi trường 23 °C, điện áp CCP vòng hở 4 mA / 24 V, micro giả 18 pF, cáp đồng trục đầu ra 3 m.
Thiết bị TEDS được đảm bảo hoạt động tốt ở nhiệt độ lên đến 85 °C. Chúng tôi không có dấu hiệu nào cho thấy thiết bị sẽ không hoạt động tốt ở nhiệt độ lên đến 120 °C, tuy nhiên chúng tôi không thể đảm bảo rằng thiết bị sẽ duy trì ổn định ở mức nhiệt độ này.

Mối quan hệ giữa độ ồn và nhiệt độ, tuyến tính trong dải tần 20 Hz - 20 kHz.

Mức độ tiếng ồn điển hình ở các nhiệt độ 25, 50, 75, 100 và 120 °C, dải tần 1/3 quãng tám.