Bộ micro gắn phẳng thu nhỏ GRAS 47BG-FV 1/4" CCP, áp suất cao.

  •  Mã sản phẩm: GRAS 47BG-FV
     Danh mục: GRAS Sound & Vibration
  •  Lượt xem: 202
     Tình trạng: Còn hàng
  • Dải tần số: 3,15 Hz đến 60 kHz
    Dải động: 60 dB(A) đến 184 dB
    Độ nhạy: 0,23 mV/Pa

  • Giá bán: Liên hệ
Thông tin sản phẩm

GRAS 47BG-FV là bộ micro áp suất CCP 1/4″ có lỗ thoát hơi phía trước, dùng để đo mức áp suất âm thanh rất cao bằng cách lắp đặt âm tường, trong trường hợp không gian lắp đặt bị hạn chế hoặc chật hẹp.

Bộ phụ kiện lắp đặt âm tường RA0536 dành cho 47BG-FV, cũng được hiển thị trong phần hình ảnh của trang web này, phải được mua riêng. Bộ phụ kiện này bao gồm một khối lắp đặt không dẫn điện, một vòng đệm O-ring và bốn ốc vít lắp đặt.

Công nghệ

GRAS 47BG-FV 

47BG-FV là phiên bản chuyên dụng của bộ micro tiêu chuẩn áp suất CCP ¼″ GRAS 46BG-FV, áp suất cao. 47BG-FV được tối ưu hóa cho các phép đo âm học của nguồn âm tại ranh giới hoặc bức tường; trong trường hợp này, micro trở thành một phần của bức tường và đo áp suất âm thanh trên chính bức tường đó.

Microphone 47GB-FV được thiết kế đặc biệt để sử dụng trong các trường hợp yêu cầu lắp đặt âm tường. GRAS 47BGFV có thể được sử dụng trong bất kỳ thiết lập lắp đặt âm tường nào, nhưng nó có một số yếu tố thiết kế khiến nó trở thành micro hoàn hảo để lắp đặt ở những nơi khoảng cách giữa các micro phải rất nhỏ hoặc khoang phía sau tường đo cung cấp rất ít không gian cho micro và dây cáp .

Thiết kế

Thiết kế độc đáo của bộ micro và hệ thống giá đỡ là một bộ phận cần thiết và chắc chắn, được thiết kế để đảm bảo các phép đo chính xác trong các vị trí lắp đặt âm tường có không gian rất hạn chế ở những khu vực có áp suất cực cao.

Thiết kế nhỏ gọn, tiết kiệm không gian - micro 47BG-FV không có hình tròn như các loại micro gắn phẳng khác. Các cạnh của micro đã được làm phẳng để cho phép đặt micro ở vị trí gần nhất có thể.

Hướng cáp có thể điều chỉnh - để giữ cho tấm gắn micro phẳng nhất có thể, cáp sẽ nằm trên mặt phẳng ngang so với các micro gắn phẳng khác; tuy nhiên, để đảm bảo cáp không bao giờ gây vướng khi đặt micro hoặc kết nối cáp, cáp của 47BG-FV có thể xoay 90° mà không cần điều chỉnh tấm gắn.

Micrô

Đầu micro là loại micro áp suất phân cực trước 1/4 inch GRAS 40BG-FV đạt tiêu chuẩn IEC 61094 WS3P chất lượng cao, được thiết kế để hoạt động bền bỉ trong nhiều môi trường khác nhau.

Bộ tiền khuếch đại

Bộ tiền khuếch đại, 26CM ¼” CCP Miniature Flush-mount Preamplifier, được tích hợp vào bộ sản phẩm và được thiết kế đặc biệt để tiết kiệm không gian, bao gồm TEDS, và dựa trên các chất nền mạch in nổi tiếng của chúng tôi. Trong ngành, chúng nổi tiếng với độ nhiễu nền thấp, dải tần rộng và hiệu suất tốc độ biến đổi tín hiệu tuyệt vời.

Tấm gắn

Tấm đế được thiết kế để phù hợp với micro và có độ dày tiêu chuẩn, hoặc có thể đặt hàng với độ dày tùy chỉnh để phù hợp với độ dày của tường. Ngoài ra, cũng có thể đặt hàng in 3D tấm đế tại chỗ.

Giảm thiểu diện tích chiếm dụng - diện tích đế gắn phù hợp với kích thước micro, cho phép đặt các micro rất gần nhau.

Khả năng chống rung – tấm đế và micro cũng có khả năng chống rung rất tốt. Tấm đế có thể được dán cố định và micro sau đó được gắn chặt vào tấm đế bằng bu lông. Điều này tạo ra một kết nối chắc chắn, chống rung cho cấu trúc giá đỡ. 

Hiệu chuẩn tại chỗ 

Một tính năng độc đáo của 47BG-FV là nó có thể được hiệu chuẩn tại chỗ bằng cách sử dụng Bộ chuyển đổi GRAS RA4800 để kiểm tra độ nhạy của micro gắn phẳng/gắn nổi. 

Khả năng tương thích

Để hoạt động đúng như thông số kỹ thuật, bộ micro GRAS 47BG-FV yêu cầu một mô-đun đầu vào dòng điện không đổi có khả năng cung cấp dòng điện 4 mA và điện áp CCP không tải 24 V. Nếu nguồn dòng điện không đổi thấp hơn, khả năng điều khiển cáp dài sẽ bị giảm, và do đó, tần số trên sẽ bị giảm. Nếu nguồn điện áp thấp hơn, nó sẽ ảnh hưởng đến dải động trên.

Bộ micro được trang bị đầu nối cái Microdot 10/32. Các bộ cáp đồng trục готовые sử dụng với nhiều loại và chiều dài khác nhau có sẵn ở dạng tiêu chuẩn cũng như tùy chỉnh.

TEDS

Cảm biến 47BG-FV tuân thủ tiêu chuẩn IEEE 1451.4 TEDS phiên bản 1.0. Nếu nền tảng đo lường của bạn hỗ trợ Bảng dữ liệu điện tử cảm biến (Transducer Electronic Data Sheets), bạn sẽ có thể đọc và ghi dữ liệu như thuộc tính và dữ liệu hiệu chuẩn.

Sự định cỡ

Khi xuất xưởng, tất cả micro GRAS đều được hiệu chuẩn trong môi trường phòng thí nghiệm được kiểm soát bằng thiết bị hiệu chuẩn có thể truy xuất nguồn gốc. Tùy thuộc vào mục đích sử dụng, môi trường đo lường và chương trình kiểm soát chất lượng nội bộ, chúng tôi khuyến nghị nên hiệu chuẩn lại micro ít nhất một lần mỗi năm.

Chúng tôi cung cấp hai loại hiệu chuẩn như một dịch vụ hậu mãi tùy chọn: Hiệu chuẩn theo tiêu chuẩn GRAS và Hiệu chuẩn được chứng nhận GRAS.

Hiệu chuẩn truy xuất nguồn gốc GRAS là quy trình hiệu chuẩn có thể truy xuất nguồn gốc được thực hiện bởi nhân viên được đào tạo trong điều kiện kiểm soát theo các quy trình và tiêu chuẩn đã được thiết lập. Điều này hoàn toàn giống với quy trình hiệu chuẩn nghiêm ngặt mà tất cả các micro GRAS đều phải trải qua như một phần không thể thiếu trong đảm bảo chất lượng của chúng tôi.

Việc hiệu chuẩn đạt chuẩn GRAS được thực hiện bởi Phòng thí nghiệm hiệu chuẩn đạt chuẩn GRAS, được chứng nhận theo tiêu chuẩn ISO 17025 bởi DANAK, Quỹ Chứng nhận Đan Mạch.

Nếu bạn muốn bộ micro mới được giao kèm theo chứng nhận hiệu chuẩn thay vì hiệu chuẩn mặc định của nhà máy, hãy ghi rõ điều này khi đặt hàng.

Tìm hiểu thêm tại  gras/calib.

Chất lượng và bảo hành

Tất cả các micro đạt chứng nhận GRAS đều được làm từ vật liệu chất lượng cao, đảm bảo độ ổn định và độ bền lâu dài. Các micro đều được lắp ráp trong môi trường phòng sạch được kiểm định bởi các kỹ thuật viên lành nghề và tận tâm với nhiều năm kinh nghiệm trong lĩnh vực này.

Màng loa, thân micro và lưới bảo vệ được cải tiến đều được làm bằng thép không gỉ cao cấp, giúp micro chống lại các hư hại vật lý cũng như sự ăn mòn do không khí hoặc khí có tính ăn mòn gây ra.

Điều này, kết hợp với đầu nối micro mạ vàng được gia cố đảm bảo kết nối cực kỳ đáng tin cậy, cho phép GRAS cung cấp bảo hành năm năm đối với các lỗi về vật liệu và tay nghề.

Dịch vụ

Nếu bạn vô tình làm hỏng màng loa của micro GRAS, trong hầu hết các trường hợp, chúng tôi có thể thay thế với chi phí rất hợp lý và thời gian hoàn thành nhanh chóng. Điều này không chỉ bảo vệ khoản đầu tư của bạn mà còn làm hài lòng bộ phận kiểm soát chất lượng vì bạn không cần phải lo lắng về số seri mới, v.v.

Thông số kỹ thuật

Thông số Đơn vị Giá trị
Phân cực/Kết nối 0 V / CCP
Dải tần số (±2 dB) Hz 3,15 – 60 kHz
Độ nhạy đặt tại 250 Hz (±4 dB) dB re 1V/Pa 60
Độ nhạy @ 250 Hz (±2 dB) mV/Pa 0,23
Độ nhạy đặt tại 250 Hz (±2 dB) dB re 1V/Pa -72
Giới hạn trên của dải động dB 184
Nguồn cấp tối thiểu – tối đa mA 2 đến 20
Điện áp phân cực DC điển hình V 12
Biên độ điện áp đầu ra tối thiểu @ nguồn CCP 24–28 V Vp 8
Lỗ thông hơi micro Phía trước
Trở kháng đầu ra Ω < 50
Phạm vi nhiệt độ hoạt động °C / °F -30 đến 85 / -22 đến 185
Phạm vi nhiệt độ lưu trữ °C / °F -40 đến 85 / -40 đến 185
Hệ số nhiệt độ @250 Hz dB/°C / dB/°F -0,01 / -0,006
Hệ số áp suất tĩnh @250 Hz dB/kPa -0,01
Phạm vi độ ẩm không ngưng tụ % RH 0 đến 90
Hệ số độ ẩm @250 Hz dB/% RH 0,001
Ảnh hưởng rung dọc trục @1 m/s² dB so với 20 µPa 63
TEDS (IEEE 1451.4) 27 v.1.0
Loại đầu nối Microdot 10/32
Tuân thủ CE/RoHS/Đăng ký WEEE Có / Có / Có

Phản ứng áp suất điển hình

Phổ nhiễu ⅓ quãng tám, tuyến tính

Phổ nhiễu ⅓ quãng tám, trọng số A


GRAS Sound & Vibration có quyền thay đổi thông số kỹ thuật và phụ kiện mà không cần báo trước.

 

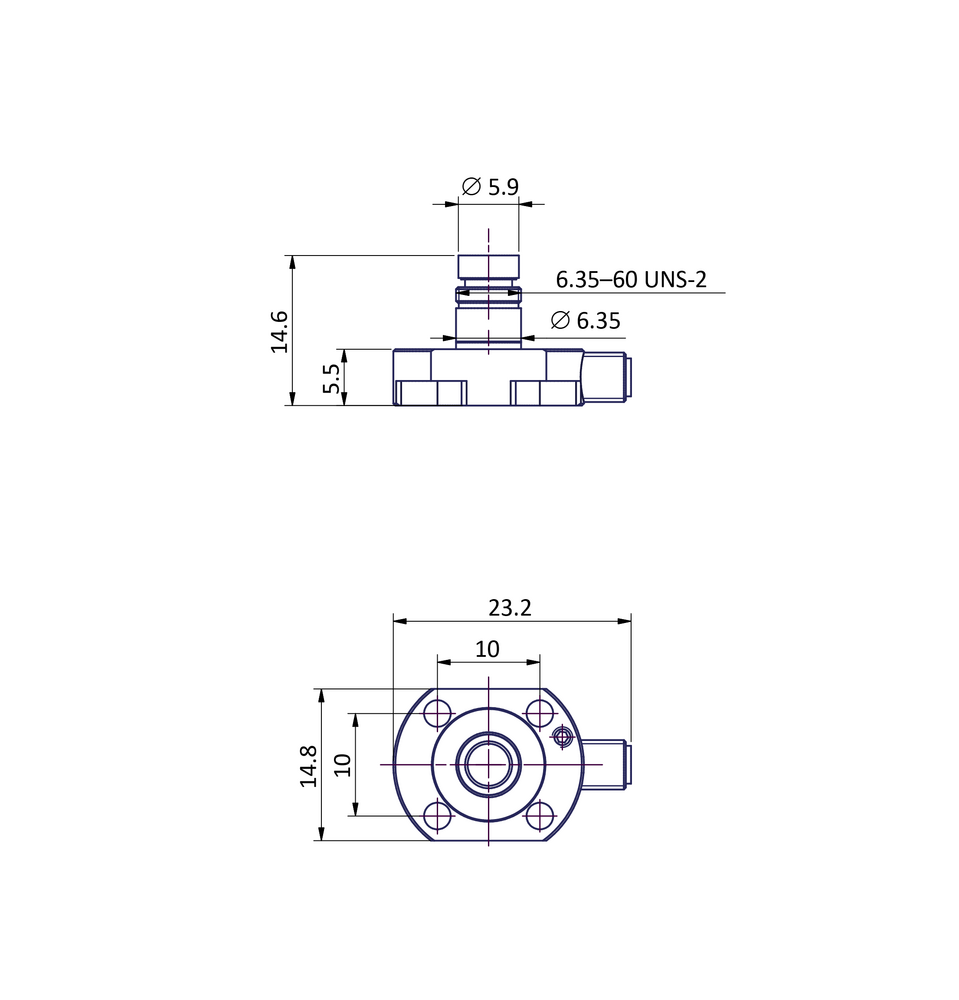
Kích thước

Trọng lượng (g / oz)

8 / 0,282

Kích thước (mm):