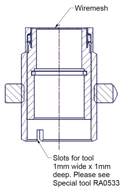
Bộ chuyển đổi RA0530 có lưới thép để gắn phẳng micro 1/4 inch.

  •  Mã sản phẩm: RA0530
     Danh mục: GRAS Sound & Vibration
  •  Lượt xem: 139
     Tình trạng: Còn hàng
  • GRAS RA0530 là bộ chuyển đổi dùng để lắp đặt micro 1/4" âm tường.

  • Giá bán: Liên hệ
Thông tin sản phẩm

Công nghệ

Giới thiệu

GRAS RA0530 là bộ chuyển đổi gắn phẳng được thiết kế cho các bộ micro hình trụ 1/4", chẳng hạn như GRAS 46BD và 46BE, hoặc các micro khác có đường kính đầu thu và tiền khuếch đại phù hợp và ren lưới bảo vệ 6.35-60 UNS-2.

Bộ chuyển đổi này có lưới thép được gắn phẳng, cung cấp thêm lớp bảo vệ chống lại các hạt bụi đồng thời giảm thiểu tác động của nó đến trường âm thanh và luồng không khí. Bên trong được phủ một lớp không dẫn điện, đảm bảo cách điện giữa micro và bề mặt lắp đặt để ngăn ngừa hiện tượng vòng nối đất.

Vòng đệm O tích hợp cho phép các micro có lỗ thoát hơi phía trước hoặc bên hông thoát hơi qua mặt trước của bộ chuyển đổi.

Để lắp đặt bộ micro 1/4", chỉ cần tháo lưới bảo vệ và vặn micro vào ren bên trong của RA0530.

Nếu đầu micro bị kẹt bên trong bộ chuyển đổi mà không có tiền khuếch đại, dụng cụ tháo RA0533 sẽ giúp bạn dễ dàng lấy ra.

 

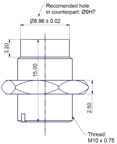
Kích thước