GRAS 44AA Mouth Simulator is a sound source that simulates the sound field around the human mouth at close quarters and complies with the Standards IEEE 269, 661 and ITU-T Rec. P51.
GRAS 44AA is for testing telephone mouthpieces as well as other microphones similarly used in communication networks.
Technology
GRAS 44AA and 44AA-1
At the mouth reference point (MRP), which is 25 mm from the detachable lip ring (35 mm from the mouth of the GRAS 44AA/AA-1), the maximum continuous signal it can produce in ⅓-octave bands is 100 dB re. 20 µPa in the frequency range of 100 Hz to 16 kHz. Its loudspeaker accepts an external signal either directly or via its own built-in power amplifier (when power is applied). The box includes an AC mains to 24 VDC power supply to power the built-in amplifier inside the 44AA and 44AA-1.
Jigs are included for calibration according to CCITT P.51 and IEEE 269. These are for use with ¼″ or ½″ microphones. One jig holds the microphone at 0º incidence (¼″ only) to the sound source, the other at 90º incidence (¼″ or ½″).
44AA-1 and is a special version of 44AA with the BNC connector positioned on the opposite side for proper mounting on the GRAS 45CC Test Fixture.
NOTE: This type of mouth simulator can not be mounted inside a KEMAR head.
Specifications
| ITU-T Recommendation |
– |
Page 51 |
| Connector type |
– |
BNC |
| IEEE standard |
– |
269.661 |
| Input impedance |
kΩ |
20 |
| Maximum power, continuous |
W |
10 |
| Maximum power, 2 s burst |
W |
50 |
| Operating temperature range |
°C / °F |
10 to 35 / 50 to 95 |
| Gain |
dB |
10 |
| Maximum input signal |
Vrms |
2 |
| CE/RoHS/WEEE compliant |
– |
Yes/Yes/Yes |
| Weight |
g/oz |
2900 / 102.29 |
Built-in power amplifier
Maximum continuous output level at MRP [200 Hz - 6 kHz] 110 dB re. 20 μPa
Maximum continuous output level at MRP [100 Hz - 16 kHz] 100 dB re. 20 μPa
Distortion 250 Hz - 8 kHz (Linear signal @ 94 dB at MRP) typically 1 %, max. 1.5 %
(1).png)
Frequency response
GRAS Sound & Vibration reserves the right to change specifications and accessories without notice.
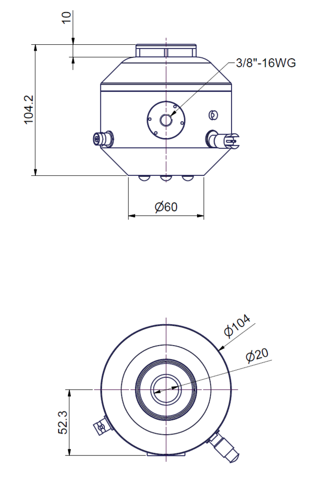
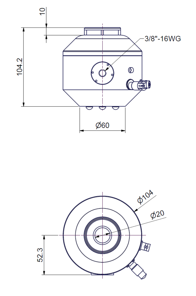
Dimensions
44AA
.png)
44AA -1
.png)